Optics.org
optatec photonics talks
optatec photonics talks
daily coverage of the optics & photonics industry and the markets that it serves
Featured Showcases
Photonics West Showcase
Menu
Historical Archive

Telecoms twist to optical roll sensing

23 Feb 2005

A compact sensor that measures angular rotation could find space-based applications say its Chinese developers.

A compact optical roll-angle sensor based on an LED and a magnetic garnet single crystal could find application in space say its Chinese developers. The sensor exploits advances in telecoms-style components to distinguish angular differences of just a hundredth of a degree over a +/- 30 degree range. (OPTICS LETTERS 30 242)

"The sensor could be widely applied in space docking, large workpiece assembling, or pure light polarization measurement," researcher Shiguang Li told Optics.org.

Roll angle measurements tend to be a lot more complex to perform than their 'yaw' and 'pitch' counterparts. Here, scientists from Tsinghua University use changes in light intensity, when a polarized light source is rotated relative to a polarization sensitive detector, to measure the roll angle between two objects.

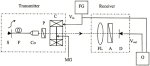
The Beijing team's sensor consists of a transmitter and receiver designed to minimize measurement drift. The transmitter uses a pigtailed fiber, an LED and a Faraday rotator, which modulates the polarization of transmitted light.

At the heart of the Faraday rotator is a magnetic garnet single crystal measuring just several micrometers in thickness. Occupying a space of 12 x 12 x 5 mm, including its ac fed electrical drive coil, the Faraday rotator is the largest component in the compact system.

The receiver consists of a focusing lens, a polarization analyzer and an optical detector. Rotating the receiver relative to the transmitter causes its signal to increase in magnitude in proportion to the degree of rotation, or 'roll'. The direction of rotation is given by the phase difference between the receiver signal and the original transmission. Signals are either in or out of phase, depending on the clockwise or anti-clockwise direction of rotation.

Using a lock-in amplifier set-up, the team has detected an angular difference between transmitter and receiver of just 0.0084 deg. However, in this case the working frequency was set at 1 Hz to filter out high frequency noise. The team acknowledges that to perform faster measurements it would have to replace the lock-in amplifier with specially designed circuits and is currently refining its sensor design.

Author
James Tyrrell is reporter on Optics.org and Opto & Laser Europe magazine.

Nyfors Teknologi ABSacher Lasertechnik GmbHEaling UGAlluxaHamamatsu Photonics Europe GmbHLaCroix Precision OpticsHÜBNER Photonics
© 2026 SPIE Europe
Top of Page