
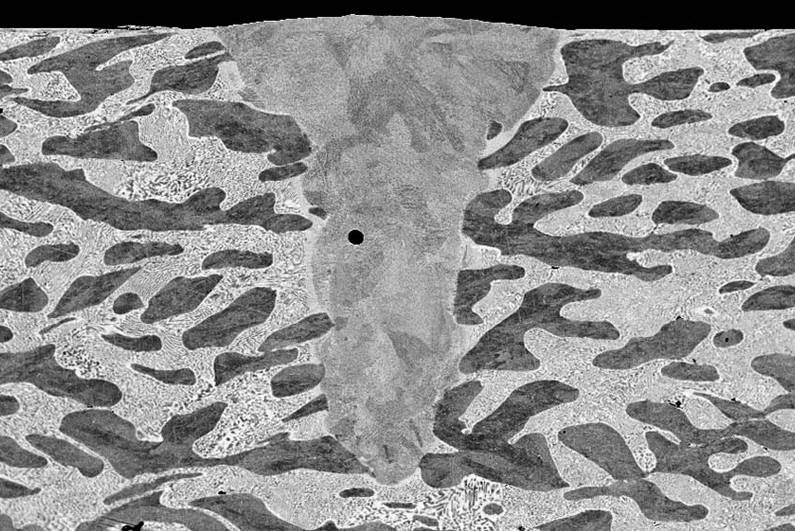
| SEM image of a single laser scan cross-section of a nickel and zinc alloy. Dark, nickel-rich phases interleave lighter phases with uniform microstructure. A pore can also be observed in the melt pool structure. Credit: Raiyan Seede. |
| © 2026 SPIE Europe |
|